Battery Balancer for Electric Vehicles

HOME > Creative Technology > Battery Balancer

PAGE UNDER CONSTRUCTION

In connection with my interest in electric vehicles, I have a need for a battery balancing circuit. But first, I should explain what battery balancing and protection is all about. ... The usual way to do this is by sensing the battery's terminal voltage and switching in a resistor to bypass the charging current.

Undervoltage Protection

Voltage too low => switch on LEDs.

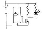
Battery balancer schematic Resistor controller Resistor controller


Overvoltage Protection and Balancing

Voltage too high => switch in shunt resistor

MOSFET PWM breadboard MOSFET PWM construction MOSFET PWM complete


Return to the Creative Technology page

Return to John Honniball's home page

Copyright © 2007 by John Honniball. All rights reserved.